Versärker JLH 1969 & Box - Home of Manuel Magninch

Direkt zum Seiteninhalt

Hauptmenü:

Versärker JLH 1969 & Box

Eigenbau
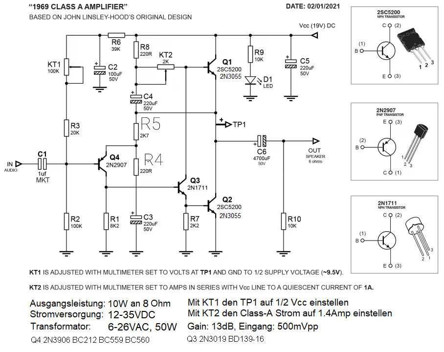
In der Ablösungszeit der Radioröhren hat John Linsley-Hood, im Jahr 1969, in der Zeitschrift "Wireless World" sein Verstärker Design publiziert.
Das verblüffende am JLH 1969 Verstärker ist, dass das Design und die Bauteilwerte bis heute unverändert geblieben sind und sowohl damals wie auch heute Massstäbe in punkto Qualität setzt. Der Verstärker hat einen unvergleichlichen Klang, insbesondere wenn qualitativ hochwertige Lautsprecher angeschlossen werden.

Vorteile: unvergleichlicher Klang, sehr einfach im Aufbau (nur 4 Transistoren).
Nachteile: nur 2x 10Watt Ausgangsleistung, grosse Verlustleistung

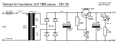
Beim Selbstbau ist die Verstärker Schaltung das unproblematischte. Die Stromversorgung muss mit ca 3.0 Amp. Dauerlast einiges leisten. 
Da der Verstärker im Klasse-A Betrieb läuft fliessen ca. 1.4 Amp pro Kanal, was bei 30V dann stolze 2x42 Watt Verlustleistung ergibt. Da braucht es dann richtige Kühlkörper. <0.9K/W Z.B. 2x Fischer SK 56/75/SA (300x75x40mm) 0.45K/W 
Technische Daten:
- Klang: Natürlich und weich, klare Mitten und detaillierte höhnen,
  guter Bass
- Leistung: 2x 10W RMS 
- Frequenzgang: 20Hz bis 220kHz (-3dB)
- Technologie: Klasse A
- Lautsprecher: 8 Ohm, der Wirkungsgrad sollte über 90% sein
- Eingangsempfindlichkit: 500mVss, 50k Ohm
- Stromversorgung: 30VDC (3.0Amp stereo)  ca. 21VAC
- Rauschen: <0.1%

Die Stromversorgung: Viele diskutieren über rauscharme Trasistoren, das ist natürlich wichtig, jedoch kommt das brummen von der Stromversorgung. Um den 100Hz Brumm vom 50Hz Netz weg zu bekommen, werden grosse ELKOs mit niedrigem Innenwiderstand LowESR verwendet. Jedoch hat der Transformator und der Gleichrichter ebenfalls einen Innenwiderstand der einen Rippel unumgänglich macht. Der Netz Rippel ist bei 30VDC und 3.0 Amp bereits bei 0.5Vss (100 Hz Brumm). D.h. optimalerweise sollte die 30V Stromversorgung ab einem Ringkern kommen und stabilisiert sein. 

Der Hood Class-A-Verstärker der Spizenklasse tönt nur gut mit den passenden Hi-End Lautsprechern. Die Akustik der Lautsprecher ist deitlich herausfordernder als der Verstärker selbst. Es gibt leider nicht viele Lautsprecher die dem Hi-End Klang des Hood 1969 gerecht werden. Wichtig ist der hohe Wirkungsgrad, das breite und lineare Wiedergabe Spektrum. Das will heissen einen Wirkungsgrad vom 90dB oder mehr. Heute gibt es Breitbandlautsprecher die alle Anforderungen erfüllen und ohne Verlustreiche Frequenzweichen auskommen.
Ideal passt der B 200 High-End-Breitbandlautsprecher mit 6 Ohm, 20 cm (8") von Visaton (Art: 1350). Dieser hat einen hohen Wirkungsgrad von 96dB und ein sehr ausgeglichener Frequenzgang 35Hz bis 18kHz ohne grosse Schwankungen - Das zeichnet diesen High-End-Lautsprecher aus.


B 200 Foto
B200 Masse
B200 Frequenzgang
B200 Richtdiagramm
Nun muss der Lautsprecher noch passende Boxen haben, die alles aus den Lautsprechern raus holen. Um einen satten Bass zu bekommen ist ein Volumen von mindestens 100 l netto volumen gefragt. Der Boxen-Bausatz SOLO 100 von Visaton ist die vollendete Hi-End Abstimmung auf den Hood 1969 .  Der Boxenbausatz ist von Visaton nicht mehr erhältlich, aber mit den freigegebenen Bauplännen ist das kein Problem. 

Solo 100
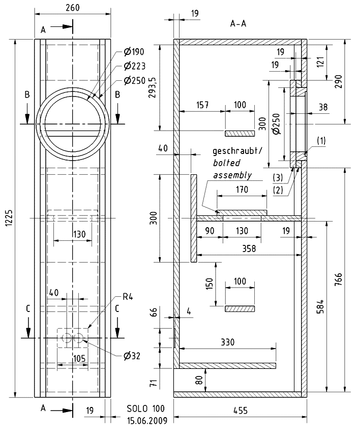
SOLO 100 - Der B 200 - 6 Ohm Lautsprecher wurde in eine schmale Standbox mit ca. 100 l Nettovolumen eingebaut. Aufgrund seines hohen Q-Faktors würde man in einem normalen geschlossenen Gehäusen eine relativ starke Überhöhung im Frequenzgang bei ca. 60 Hz bekommen. Um das zu vermeiden und sogar die Vorteile des BR-Prinzips zu nutzen, wurden ein paar mechanische extras zur Lösung eingebaut:
Das Volumen ist durch ein Trennbrett in zwei gleiche Teile unterteilt. An der Rückwand wird durch einen senkrechten Tunnel ein Helmholtzresonator gebildet, der genau auf die Frequenz der Überhöhung abgestimmt ist. Dieser Tunnel ist mit einer lockeren Füllung Wolle bedämpft. Ungedämpft "saugt" dieser Resonator genau diese Überhöhung weg und sorgt sogar für eine Senke in diesem Bereich. Mit dem Füllungsgrad der Wolle kann man genau den gewünschten Frequenzgang einstellen. So gelingt es, dass trotz der BR-Abstimmung keine klanglich störende Bassüberhöhung auftritt.

Leistung: 40Watt (rms) und ca. 70 Watt (Musik) bei 6 Ohm Impedanz
Frequenzgang: 30Hz bis 20kHz ( -10dB) bei einem Wirkungsgrad von 88dB (2.83V/1m)
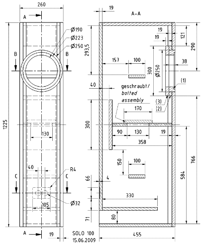
Masse: 1225x250x455mm (HxBxT) bei einem Volumen von 100 Litern (Netto)
Frequenz Pegel Anpassung
Auf dem Diagramm vom Frequenzband ist zu erkennen, dass der Pegel in der Mitte und im oberen Bereich ansteigt. Das ist der bei Breitbandlautsprechern typische Pegelanstieg in den Mitten und Höhen. Dies hätte in dieser Box einen nicht akzeptablen zu hellen Klang. Das Verhalten wurde elektronisch mit einer passiven Korrekturschaltung (fünf schlichte Bauteile) linearisiert und der Pegel flach ausgerichtet. Damit ist der Frequenzgang für Breitbandlautsprecher ungewöhnlich gut geglätet.
Je nach Raumakustik und persönlichem Geschmack kann der 15 Ohm-Reihenwiderstand verändert werden. Eine Verringerung auf 10 Ohm führt zu einer Anhebung des Hochtonbereiches, vergrößert man ihn auf 22 Ohm, werden die Höhen etwas stärker zurückgenommen.
INFO: Die Impedankzliearisierung ist beim Hood 1969 nicht notwendig, da dieser die Treiber direkt auf Pegel bring, dies unabhängig von der Impedanzabweichung.


SOLO 100 Bauanleitung: Dieses Gehäuse fordert eine Menge an schreinerischem Geschick und Erfahrung. Man muss sehr gut mit der Oberfräse umgehen können. Wer sich das nicht zutraut, kann das Gehäuse wesentlich einfacher bauen. Dazu verzichtet man auf den Ring, baut einen ganz normalen Quader und bringt an den Seiten nur eine sehr schmale Fase an. Der Ring um das Chassis ist ein Design-Element und hat keine akustische Funktion.

Alle Teile sind sind zu verleimen und nicht zu verschrauben mit Ausnahme der mittigen Abdeckung. 

Teileliste aus 19mm MDF:
2x 1225x436 Seitenteile
1x 1225x222 Rückwand
1x 766x260 Front unten
1x 290x260 Front oben
1x 300x222 Kanal
1x 358x222 Mitteltrenner
2x 100x222 Verstrebung
1x 330x105 BassRefelex Abdeckung
1x 170x130 Deckel
2x 300x222 Montageplatten
2x 1187x25x25 Dreieck Leisten
SOLO100 Explosionszeichnung 3D
SOLO 100 Masse
SOLO 100 Masse Schnitt

Die Bedämpfung der beiden Kammern oben und unten ist sehr unkritisch (siehe Skizze). Die untere Kammer erreicht man durch die Öffnung in der waagerechten Trennwand, die anschliessend mit der kleinen quadratischen Platte (170 mm x 170 mm) verschlossen wird.
Die Bedämpfung des senkrechten Tunnels dagegen hat Auswirkungen auf den Verlauf des Frequenzgangs im Bass. Man schneidet eine Matte (1/2 Beutel) an einer Seite so ab, dass die Breite genau dem Innenmass der Box entspricht. Wir haben anschliessend die Matte zu Hälfte von oben in den Tunnel geschoben. Das kann man gut durch die Schallwandöffnung tun. Wenn man die Matte tiefer hinein schiebt, bekommt man weniger Tiefbass (und umgekehrt). Damit kann nachträglich ein Tuning an die Raumakustik vorgenommen werden.

Ideen und Anregungen: Manuel Magnin  MMagnin@Clinch.ch
SOLO 100 Bedämpfung
 
Zurück zum Seiteninhalt | Zurück zum Hauptmenü